网站首页
公司介绍
企业介绍
组织架构
企业荣誉
领导关怀
新闻动态
公司新闻
政策要闻
党建工作
组织架构
党建阵地
党群活动
工青妇
荣誉鼓励
信息公开
水质检测报告
环境信息公开
职位招聘
通知公告
乐竞(中国)一站式体育服务
电话地址
意见箱
总经理信箱
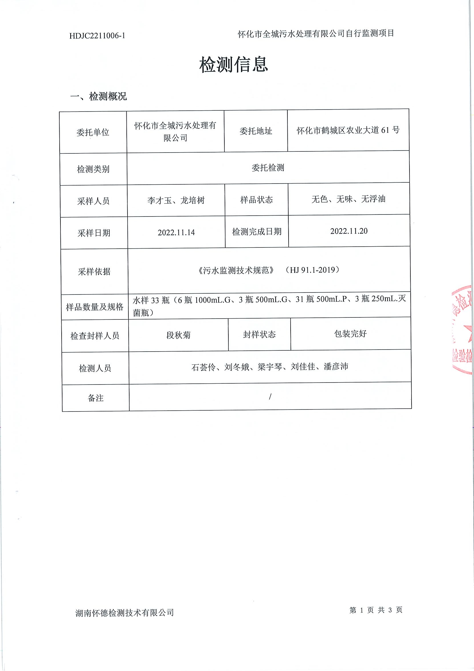
怀德检测 2022年11月 污水检测报告
2022-12-15 08:54:55
上一篇:
湖南怀德检测技术有限公司 2024年12月 污水出水检测报告
下一篇:
怀德检测 2022年10月 污水检测报告
乐竞官网
|
开云手机官方版在线入口
|
米兰网页版
|
九游·官方版web站入口
|
开云(中国)Kaiyun·官方网站
|
华体会官方网页版
|
乐鱼网页版
|
完美体育官网登录
|
开云手机站官方版网站登录入口
|